Характеристики
Бренд
Avtos
Страна производства
Россия
Материал
Сталь
ОЗОН ТИП
Фаркоп
ОЗОН Комплектация
Фаркоп (без электрики), крепеж, инструкция и сертификат соответвия.
Категория Авито
Запчасти и аксессуары
Тип товара Авито
Багажники и фаркопы
Артикул производителя
AVTS.HY 26
ТН ВЭД
8708999709
Описание
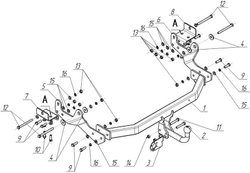
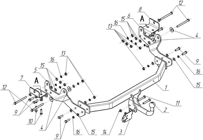
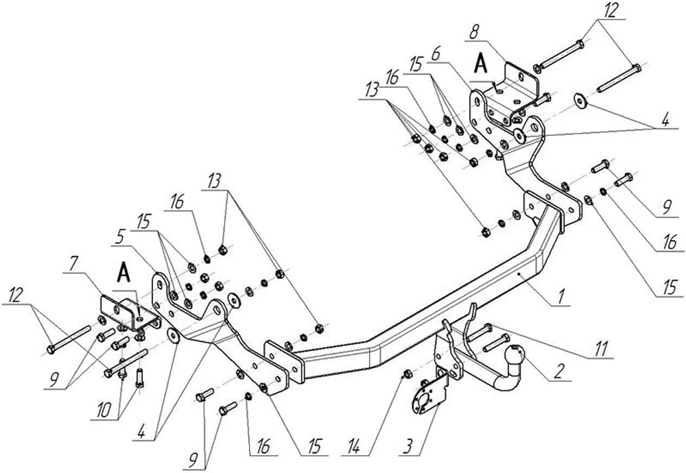
Тип шара: Условно съемный шар (на двух болтах).; Вертикальная нагрузка на шар, кг: 90.; Максимальная масса прицепа, кг: 2000.; Резать бампер: при необходимости.; Паспорт и сертификат в комплекте. ВНИМАНИЕ! Без электрики.
Показать полностью
Отзывы
Отзывов еще никто не оставлял
