Характеристики
Бренд
Avtos
Страна производства
Россия
Материал
Сталь
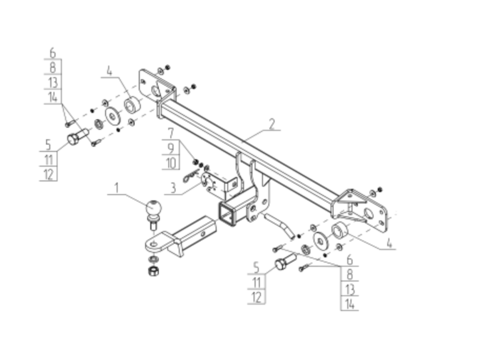
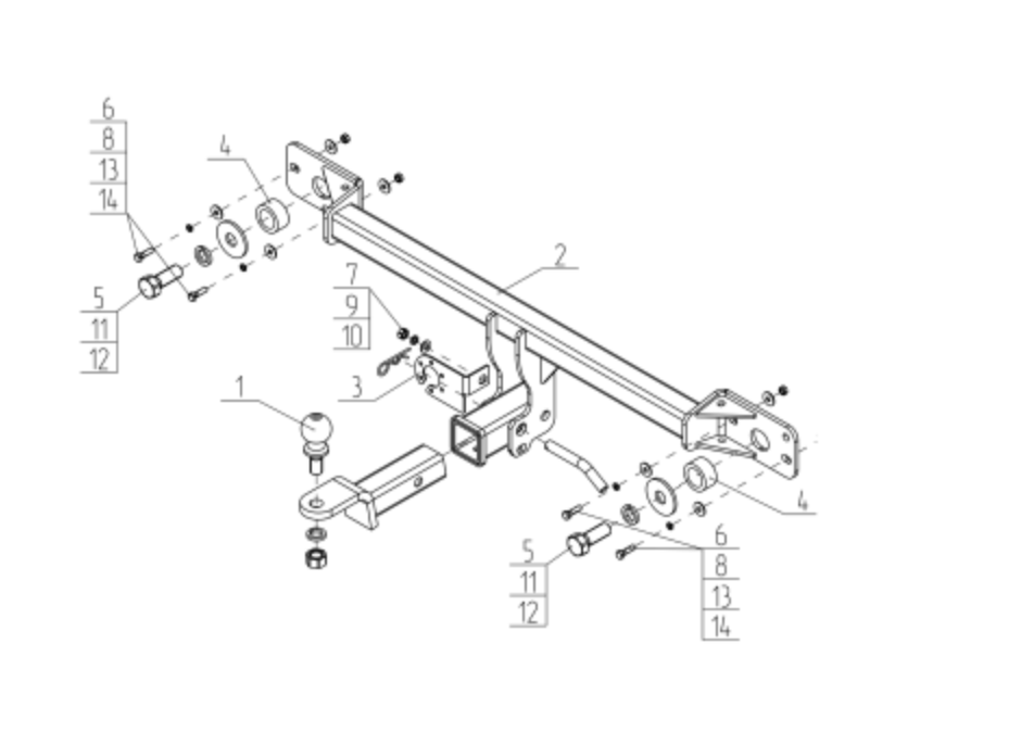
ОЗОН ТИП
Фаркоп
ОЗОН Комплектация
Фаркоп (без электрики), крепеж, инструкция и сертификат соответвия.
Категория Авито
Запчасти и аксессуары
Тип товара Авито
Багажники и фаркопы
Артикул производителя
AVTS.VAZ-72B
ТН ВЭД
8708999709
Описание
| Вертикальная нагрузка на шар, кг: | 75. |
| Максимальная масса прицепа, кг: | 1000. |
| Снимать бампер: | Надо. |
| Резать бампер: | Не надо. |
Отзывы
Отзывов еще никто не оставлял
