Характеристики
Бренд
MOTODOR
Страна производства
Россия
Вертикальная нагрузка на шар, кг
75
Допустимая полная масса прицепа, т
1.5
Допустимая полная масса прицепа, кг
1500
Материал
8 мм, Сталь
ОЗОН ТИП
фаркоп
ОЗОН Комплектация
Фаркоп, крепеж, инструкция и сертификат соответвия.
Категория Авито
Багажники и фаркопы,
Запчасти и аксессуары
Тип товара Авито
Багажники и фаркопы
Количество, штук
1
Описание
- Материал : 8 мм, Сталь
- Верт/Гориз нагрузка на шар : 75/1500
- Производитель : MOTODOR
- Тип шара/Код : E
- Особенности : Вырез в бампере не требуется
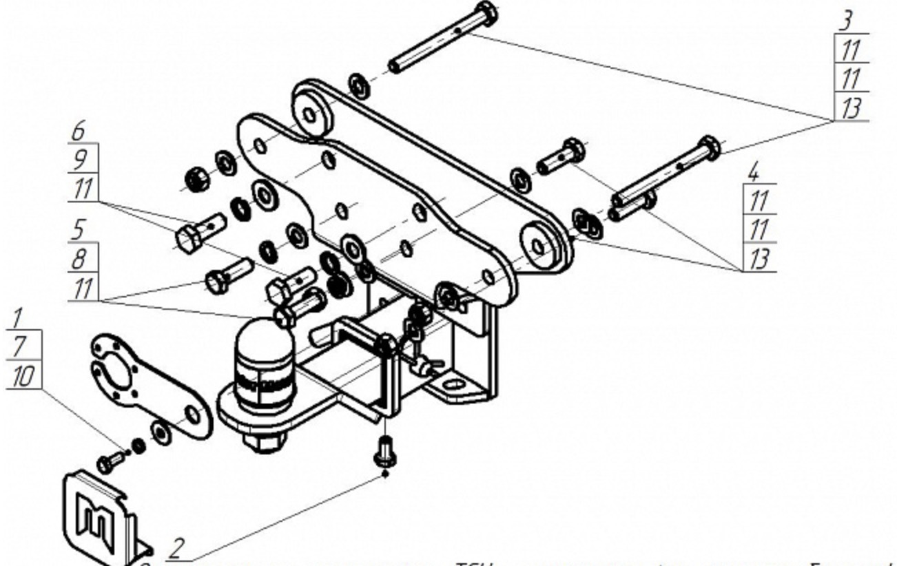
Порядок установки:
Установку ТСУ допускается производить только в сертифицированных установочных центрах.
Запрещается эксплуатация ТСУ с затянутым фиксирующим болтом!
1. Демонтировать задний бампер автомобиля.
2. Установить прижимную пластину в расположенные по центру поперечины рамы штатные отверстия: для автомобилей выпущенных после июня 2023 - в верхние отверстия при помощи болтов М14х1,5х35 с шайбами и гр. шайбами 14, для автомобилей выпущенных до июня 2023 - в нижние отверстия при помощи болтов М12х1,25х40 с шайбами и гр. шайбами 12,
3. К прижимной пластине прикрепить основную часть ТСУ при помощи болтов М12х40 с шайбами 12 и гайками 12.
4. При помоши болтов М12х110, шайб 12 и гаек 12 притянуть ТСУ к поперечине рамы автомобиля согласно схеме установки.
5. Закрепить подрозетник при помощи болта М8х20, гр шайбы 8 и шайбы 8.
6. Установить вставку с шаром, закрепить её пальцем при помощи шплинта (либо установить заглушку и закрепить её болтом М10х20).
7. Затянуть все крепёжные элементы с необходимым усилием. Вернуть на место задний бампер.
Запрещается эксплуатация ТСУ с затянутым фиксирующим болтом!
1. Демонтировать задний бампер автомобиля.
2. Установить прижимную пластину в расположенные по центру поперечины рамы штатные отверстия: для автомобилей выпущенных после июня 2023 - в верхние отверстия при помощи болтов М14х1,5х35 с шайбами и гр. шайбами 14, для автомобилей выпущенных до июня 2023 - в нижние отверстия при помощи болтов М12х1,25х40 с шайбами и гр. шайбами 12,
3. К прижимной пластине прикрепить основную часть ТСУ при помощи болтов М12х40 с шайбами 12 и гайками 12.
4. При помоши болтов М12х110, шайб 12 и гаек 12 притянуть ТСУ к поперечине рамы автомобиля согласно схеме установки.
5. Закрепить подрозетник при помощи болта М8х20, гр шайбы 8 и шайбы 8.
6. Установить вставку с шаром, закрепить её пальцем при помощи шплинта (либо установить заглушку и закрепить её болтом М10х20).
7. Затянуть все крепёжные элементы с необходимым усилием. Вернуть на место задний бампер.
Отзывы
Отзывов еще никто не оставлял
