Характеристики
Бренд
Steinhof
Страна производства
Польша
Материал
Сталь
ОЗОН ТИП
Фаркоп
ОЗОН Комплектация
Фаркоп, крепеж, инструкция и сертификат соответвия.
Категория Авито
Запчасти и аксессуары
Тип товара Авито
Багажники и фаркопы
Описание
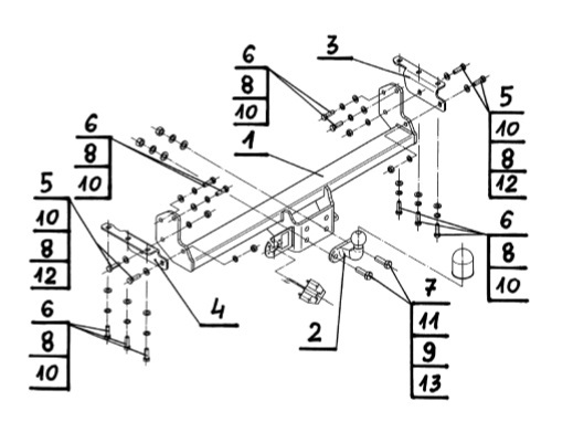
Фаркоп на Nissan Navara D40 трубчатый бампер 2005-2016 без снятия и подрезки бампера. Тип шара: F. Нагрузки: 3000/120 кг, масса фаркопа 22 кг (без электрики в комплекте) - N-088 Steinhof
Показать полностью
Отзывы
Отзывов еще никто не оставлял
