Характеристики
Бренд
Oris
Страна производства
Россия
Вертикальная нагрузка на шар, кг
50
Допустимая полная масса прицепа, кг
1500
Демонтаж бампера
да
Вырез бампера
невидимый
ОЗОН ТИП
Фаркоп
ОЗОН Комплектация
Фаркоп, крепеж, инструкция и сертификат соответвия.
Марка авто
BMW X3 (E83) (2006-2010)
Категория Авито
Запчасти и аксессуары
Тип товара Авито
Багажники и фаркопы
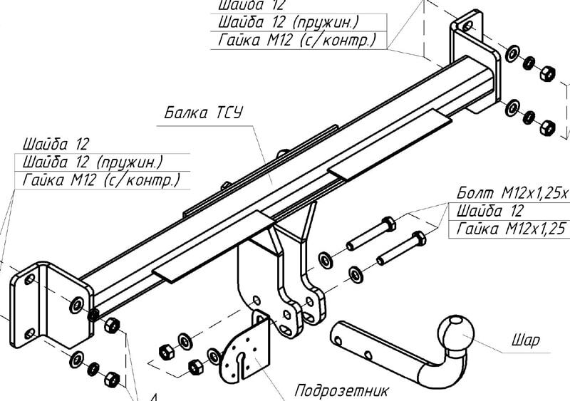
Описание
Фаркоп на BMW X3 E83 2004-2010. Необходима подрезка бампера. Тип шара: A. Нагрузки: 1500/50 кг, масса фаркопа 14,6 кг (без электрики в комплекте) - 4751-A Oris
Показать полностью
Отзывы
Отзывов еще никто не оставлял
