Характеристики
Бренд
Galia
Страна производства
Словакия
Вертикальная нагрузка на шар, кг
100
Допустимая полная масса прицепа, т
2026-05-02
Допустимая полная масса прицепа, кг
2500
Материал
Оцинкованный
Тип
Условно съемный
ОЗОН ТИП
Фаркоп
ОЗОН Комплектация
Фаркоп, крепеж, инструкция и сертификат соответвия.
Категория Авито
Запчасти и аксессуары
Тип товара Авито
Багажники и фаркопы
Описание
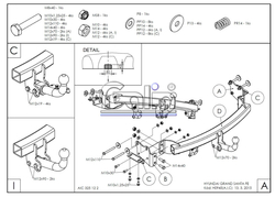
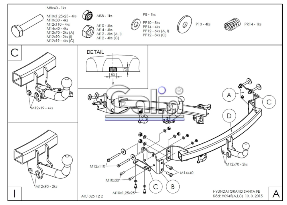
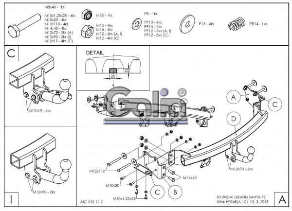
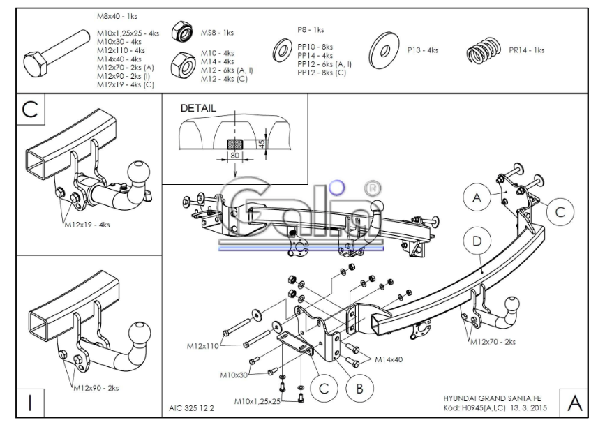
Марка автомобиля: Hyundai
Модель автомобиля: Grand Santa Fe
Год выпуска автомобиля: 2013- г.в.
Тип кузова автомобиля: SUV
Тип шара: условно съемный шар (на двух болтах).
Максимальная буксируемая масса: 2500 кг
Вертикальная нагрузка на шар: 100 кг
Особенности монтажа
Снимать бампер: да
Резать бампер: да
Блок согласования: рекомендуется
Отзывы
Отзывов еще никто не оставлял
