Характеристики
Бренд
Galia
Страна производства
Словакия
Вертикальная нагрузка на шар, кг
80
Допустимая полная масса прицепа, т
2026-02-01
Допустимая полная масса прицепа, кг
1200
Вырез бампера
Да (невидимый)
Материал
Оцинкованный
Тип
Условно съемный
ОЗОН ТИП
Фаркоп
ОЗОН Комплектация
Фаркоп, крепеж, инструкция и сертификат соответвия.
Категория Авито
Запчасти и аксессуары
Тип товара Авито
Багажники и фаркопы
Описание
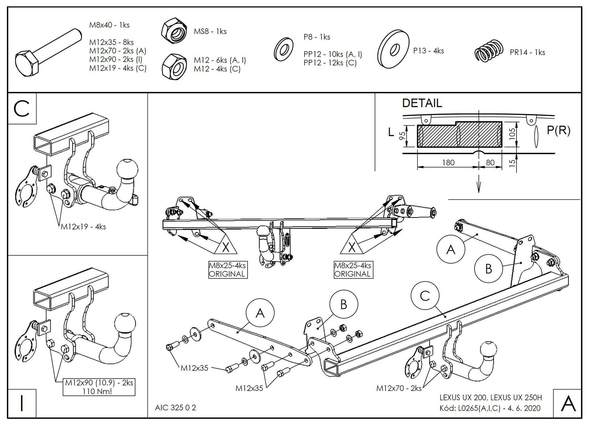
Марка автомобиля: LEXUS
Модель автомобиля: UX 200, UX 250H
Год выпуска автомобиля: 2018- г.в.
Тип кузова автомобиля: SUV
Тип шара: условно сьемный
Максимальная буксируемая масса: 1200 кг
Вертикальная нагрузка на шар: 80 кг
Особенности монтажа
Снимать бампер: да
Резать бампер: да
Блок согласования: рекомендуется
Отзывы
Отзывов еще никто не оставлял
