Характеристики
Бренд
Galia
Страна производства
Словакия
Вертикальная нагрузка на шар, кг
90
Допустимая полная масса прицепа, т
2026-08-01
Допустимая полная масса прицепа, кг
1800
Материал
Оцинкованный
Тип
Условно съемный
ОЗОН ТИП
Фаркоп
ОЗОН Комплектация
Фаркоп, крепеж, инструкция и сертификат соответвия.
Категория Авито
Запчасти и аксессуары
Тип товара Авито
Багажники и фаркопы
Описание
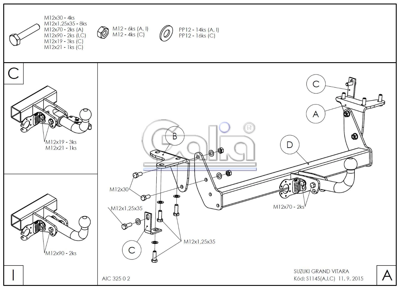
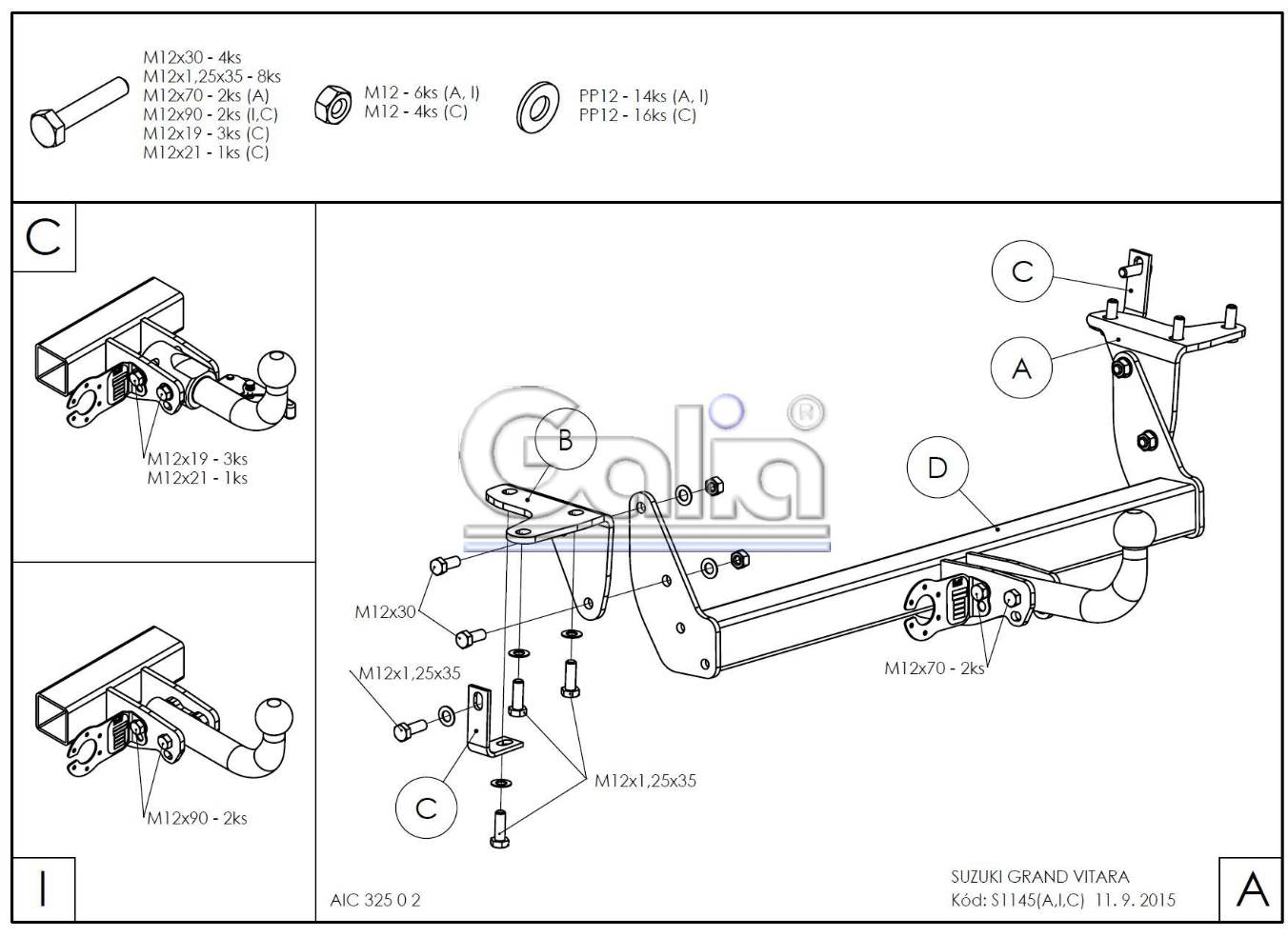
Марка автомобиля: Suzuki
Модель автомобиля: Grand Vitara
Год выпуска автомобиля: 2005-2016 г.в.
Тип кузова автомобиля: SUV
Тип шара: Условно съемный шар (на двух болтах).
Максимальная буксируемая масса: 1800 кг
Вертикальная нагрузка на шар: 90 кг
Особенности монтажа
Снимать бампер: нет
Резать бампер: нет
Блок согласования: рекомендуется
Отзывы
Отзывов еще никто не оставлял
