Характеристики
Бренд
Galia
Страна производства
Словакия
Вертикальная нагрузка на шар, кг
100
Допустимая полная масса прицепа, т
2026-01-02
Допустимая полная масса прицепа, кг
2100
Материал
Оцинкованный
Тип
Быстросъемный
ОЗОН ТИП
Фаркоп
ОЗОН Комплектация
Фаркоп, крепеж, инструкция и сертификат соответвия.
Категория Авито
Запчасти и аксессуары
Тип товара Авито
Багажники и фаркопы
Описание
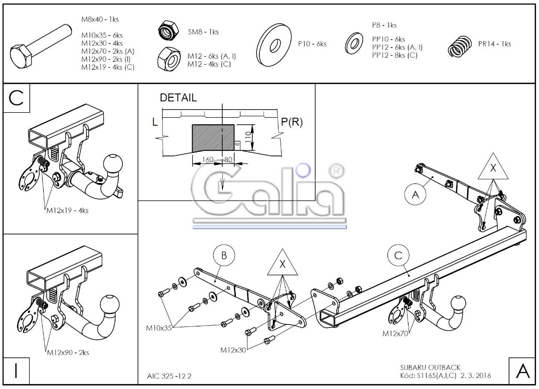
Марка автомобиля: Subaru
Модель автомобиля: OutbackLegacy
Год выпуска автомобиля: 2015- г.в.
Тип кузова автомобиля: универсал
Тип шара: быстросьемный
Максимальная буксируемая масса: 2100 кг
Вертикальная нагрузка на шар: 100 кг
Особенности монтажа
Снимать бампер: да
Резать бампер: да
Блок согласования: нет
Отзывы
Отзывов еще никто не оставлял
