Характеристики
Бренд
Galia
Страна производства
Словакия
Вертикальная нагрузка на шар, кг
100
Допустимая полная масса прицепа, т
2026-06-01
Допустимая полная масса прицепа, кг
1600
Материал
Оцинкованный
Тип
Условно съемный
ОЗОН ТИП
Фаркоп
ОЗОН Комплектация
Фаркоп, крепеж, инструкция и сертификат соответвия.
Категория Авито
Запчасти и аксессуары
Тип товара Авито
Багажники и фаркопы
Описание
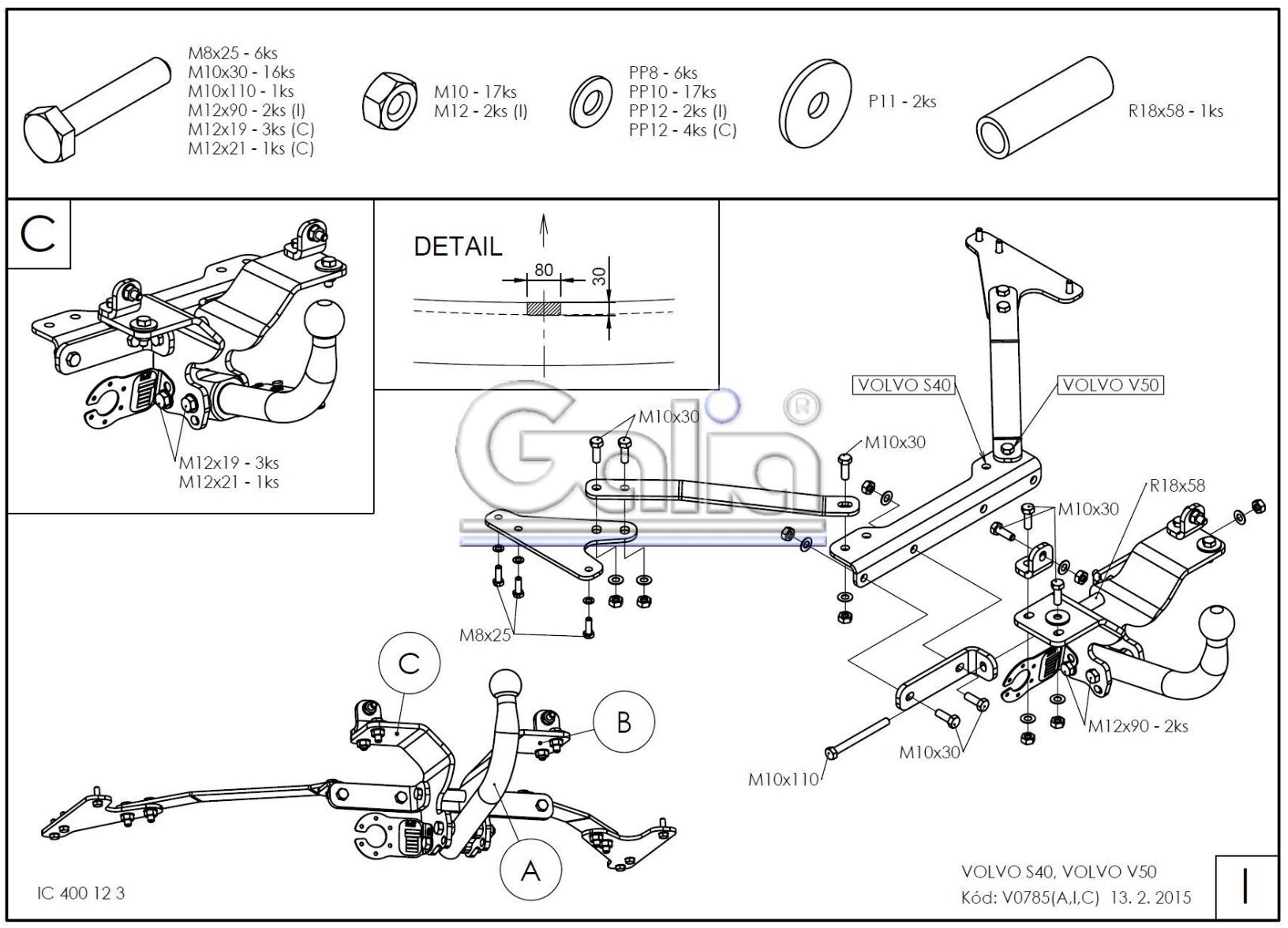
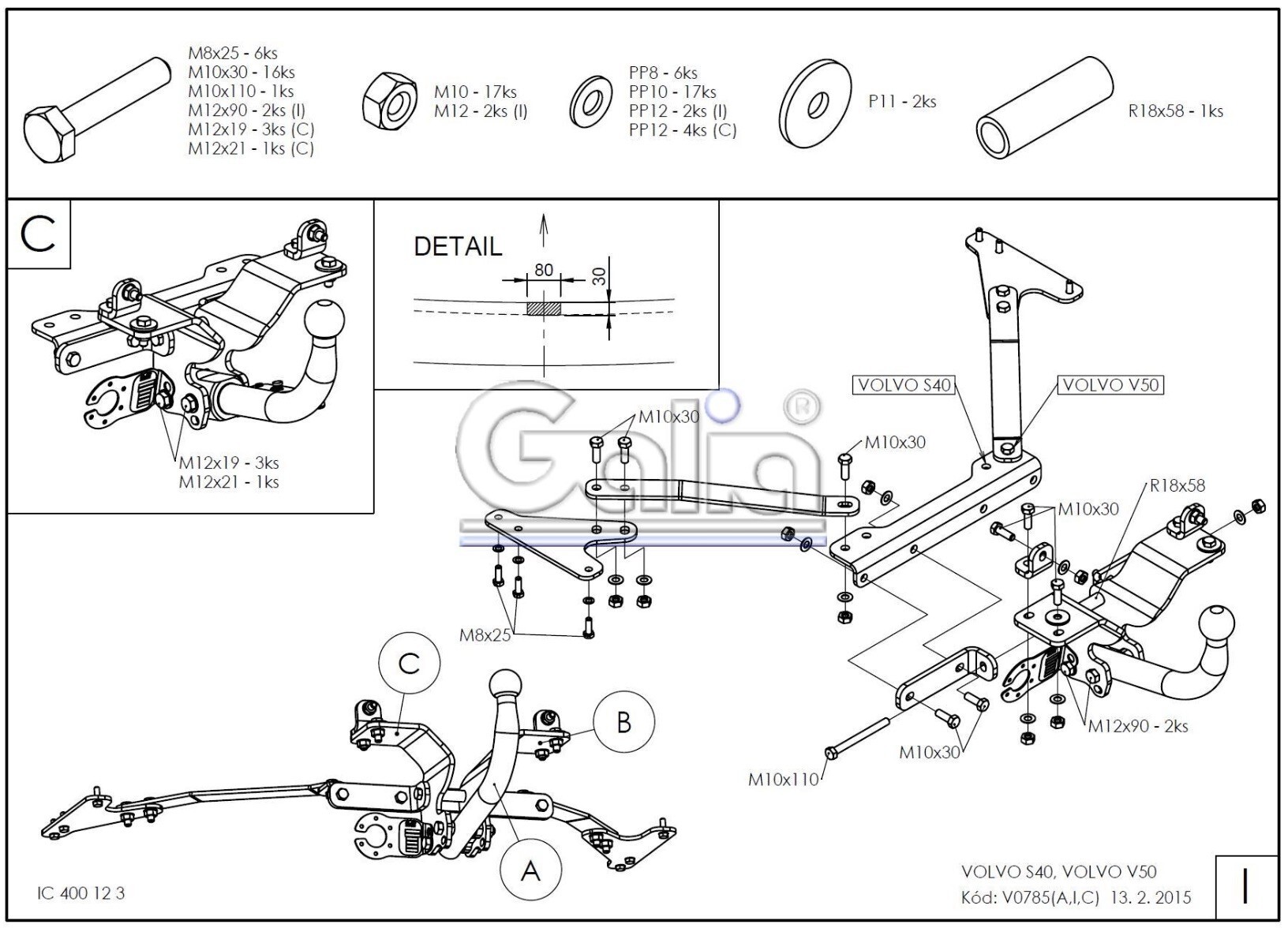
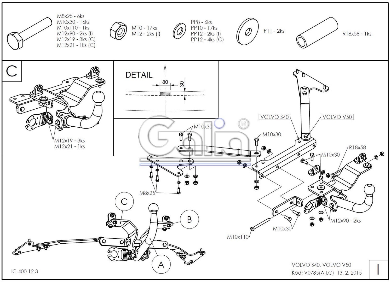
Марка автомобиля: Volvo
Модель автомобиля: S40, V50
Год выпуска автомобиля: 2004-2012 г.в.
Тип кузова автомобиля: седан / универсал
Тип шара: Условно съемный шар (на двух болтах).
Максимальная буксируемая масса: 2800 кг
Вертикальная нагрузка на шар: 150 кг
Особенности монтажа
Снимать бампер: да
Резать бампер: нет
Блок согласования: рекомендуется
Отзывы
Отзывов еще никто не оставлял
