Характеристики
Бренд
Motodor
Страна производства
Россия
Вертикальная нагрузка на шар, кг
75
Допустимая полная масса прицепа, кг
1500
Вырез бампера
Вырез в бампере не требуется
Материал
8 мм, Сталь
ОЗОН ТИП
Фаркоп
ОЗОН Комплектация
Фаркоп, крепеж, инструкция, универсальная электрика с блоком Smart и сертификат соответвия.
Категория Авито
Запчасти и аксессуары
Тип товара Авито
Багажники и фаркопы
Количество, штук
1
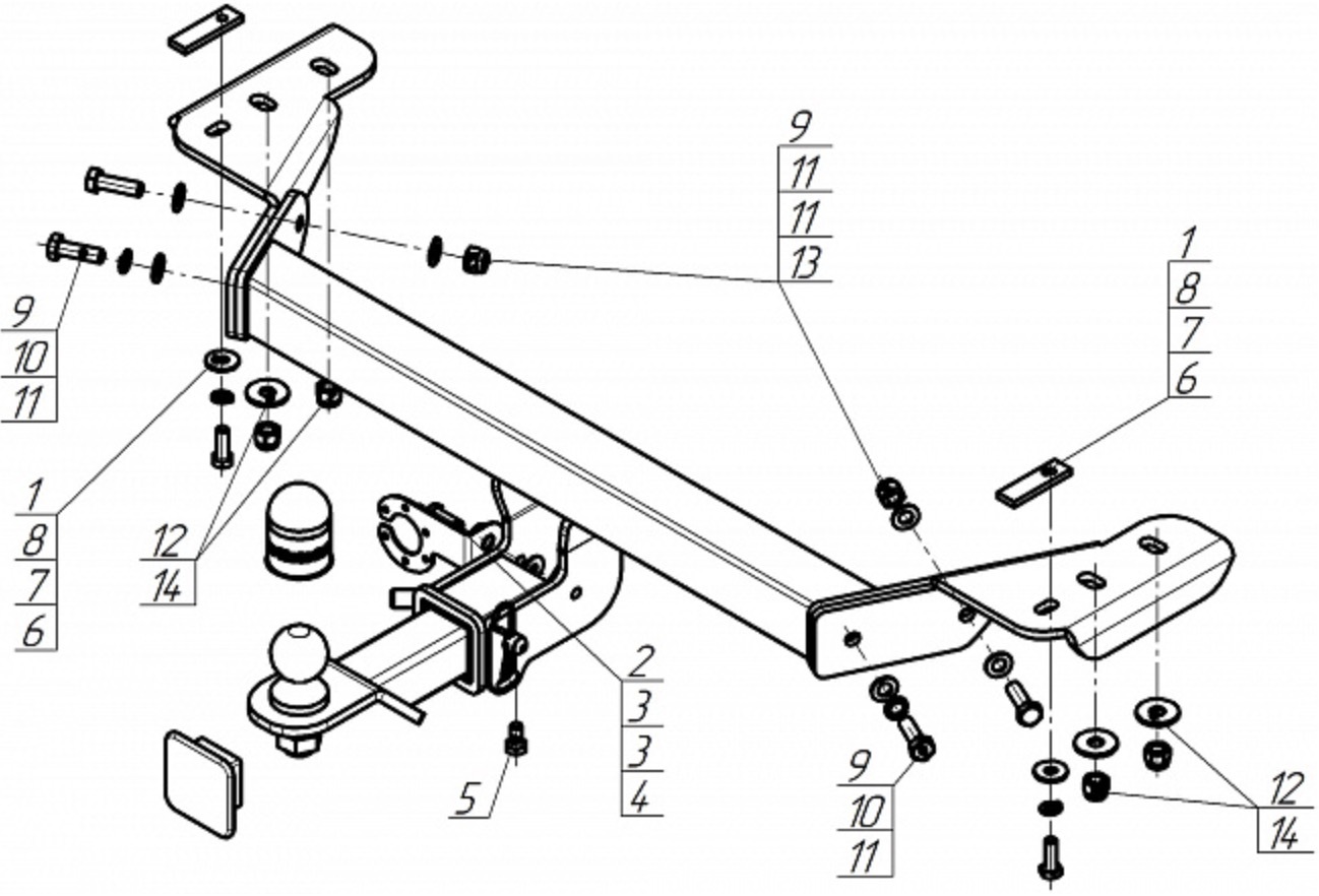
Описание
Тип шара:A (оцинкованный);
Максимальная вертикальная нагрузка на шар (кг.):75;
Масса груза (кг.):1500;
Подрезать бампер:Вырез в бампере не требуется;
Универсальная электрика SMART CONNECT идет в комплекте.
Отзывы
Отзывов еще никто не оставлял
