Характеристики
Бренд
Steinhof
Страна производства
Польша
Вертикальная нагрузка на шар, кг
120
Допустимая полная масса прицепа, т
2.4
Допустимая полная масса прицепа, кг
2400
Вырез бампера
Нет
Материал
Сталь
Тип
Условно съемный
ОЗОН ТИП
фаркоп
ОЗОН Комплектация
Фаркоп, крепеж, инструкция и сертификат соответвия.
Категория Авито
Запчасти и аксессуары
Тип товара Авито
Багажники и фаркопы
Описание
Марка автомобиля: BMW
Модель автомобиля: X3 G01, X3 F25, X4 F26
Год выпуска автомобиля: с 2010- г.в.
Тип кузова автомобиля: SUV
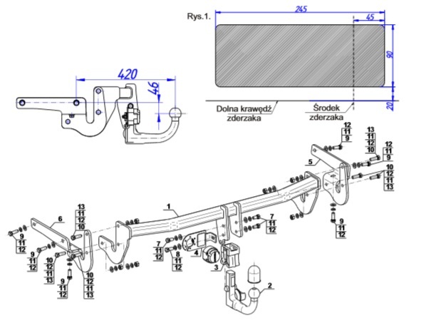
Тип шара: Условно съемный шар (на двух болтах).
Максимальная буксируемая масса: 2400 кг
Вертикальная нагрузка на шар: 100 кг
Особенности монтажа
Снимать бампер: да
Резать бампер: нет
Утилизация усилителя бампера: да
Блок согласования: да
Отзывы
Отзывов еще никто не оставлял
