Характеристики
Бренд
Galia
Страна производства
Словакия
Материал
Оцинкованный
ОЗОН ТИП
Фаркоп
ОЗОН Комплектация
Фаркоп, крепеж, инструкция и сертификат соответвия.
Категория Авито
Запчасти и аксессуары
Тип товара Авито
Багажники и фаркопы
Описание
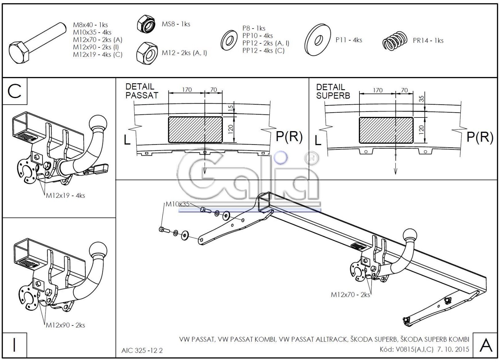
Полностью ОЦИНКОВАННЫЙ фаркоп на Volkswagen Passat B8 седан/универсал 08/2014-, в т.ч. Alltrack B8 2015-, Skoda Superb 3 седан/универсал 03/2015-. Розетка с поворотным механизмом (убирается за бампер). Тип шара: C (горизонтальный съемный). Невидимый вырез бампера. Нагрузки: 2200/100 кг, масса фаркопа 14,22 кг - V081C GALIA
Показать полностью
Отзывы
Отзывов еще никто не оставлял
